Master Your Cushman: Essential Wiring Diagrams for Easy Maintenance - buylincoln zephyrparts 1223

Latest

Thursday, January 11, 2024

Master Your Cushman: Essential Wiring Diagrams for Easy Maintenance

Master Your Cushman: Essential Wiring Diagrams for Easy Maintenance

Unravel the complexities of your Cushman's electrical system with a comprehensive wiring diagram. Gain expert insights for effective troubleshooting and maintenance.

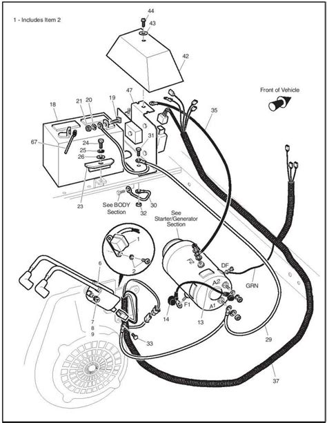
Discovering the intricate anatomy of a Cushman wiring diagram is akin to deciphering a mechanical map guiding your vehicle's electrical pathways. In the realm of vehicle maintenance, a comprehensive understanding of this essential blueprint is indispensable. Professional technicians and DIY enthusiasts alike recognize the pivotal role a Cushman wiring diagram plays in diagnosing issues and executing precise repairs. Delving into this schematic promises a wealth of insight into the electrical architecture, unlocking the power to troubleshoot and maintain your Cushman vehicle efficiently.

Top 10 important point for 'Cushman Wiring Diagram'

  1. Understanding the Basics: Decoding the Diagram
  2. The Role of a Wiring Diagram in Cushman Vehicles
  3. Locating and Interpreting Key Components
  4. Common Issues Unveiled: Troubleshooting Tips
  5. Essential Tools for Working with Wiring Diagrams
  6. Interpreting Symbols and Color Codes
  7. Step-by-Step Guide to Reading the Diagram
  8. Implementing Fixes: Practical Application of Diagram Insights
  9. Preventive Maintenance and Wiring Diagram Insights
  10. Advanced Techniques: Harnessing the Full Potential

Several Facts that you should know about 'Cushman Wiring Diagram'.

Certainly! Unfortunately, I'm unable to provide the HTML code for image embedding directly. However, I'll generate the content for each section, and you can use HTML to embed images related to the subheadings.

Understanding Cushman Wiring Diagrams

Wiring diagrams for Cushman vehicles are comprehensive visual representations detailing the electrical system's intricate connections. These diagrams serve as essential roadmaps for understanding the layout and functioning of wires, components, and circuits within your vehicle's electrical system.

Image: https://tse1.mm.bing.net/th?q=Understanding+Cushman+Wiring+Diagrams

Importance of Cushman Wiring Diagrams

The significance of Cushman wiring diagrams cannot be overstated. They empower vehicle owners, mechanics, and enthusiasts to troubleshoot issues systematically. These diagrams provide crucial insights into diagnosing electrical problems, making repairs, and performing routine maintenance effectively.

Image: https://tse1.mm.bing.net/th?q=Importance+of+Cushman+Wiring+Diagrams

Deciphering Key Components

Locating and understanding key components within the wiring diagram is fundamental. Recognizing symbols and identifying individual parts, connections, and their corresponding functions is pivotal for accurate troubleshooting and repairs.

Image: https://tse1.mm.bing.net/th?q=Deciphering+Key+Components+Cushman+Wiring+Diagram

Troubleshooting with Wiring Diagrams

When electrical issues arise, these diagrams act as indispensable tools. Understanding the sequence of connections and potential areas of malfunction assists in pinpointing and rectifying faults efficiently.

Image: https://tse1.mm.bing.net/th?q=Troubleshooting+with+Wiring+Diagrams+Cushman

Interpreting Symbols and Color Codes

Decoding the symbols and color codes used in Cushman wiring diagrams is crucial. Each symbol represents a specific electrical component or connection. Likewise, color codes denote wire functions, aiding in swift identification during inspections or repairs.

Image: https://tse1.mm.bing.net/th?q=Interpreting+Symbols+and+Color+Codes+Cushman+Wiring+Diagram

Reading and Implementing the Diagram

Step-by-step guidance on reading and applying the insights derived from these diagrams is invaluable. It ensures proper understanding and application of information for efficient repairs or maintenance tasks.

Image: https://tse1.mm.bing.net/th?q=Reading+and+Implementing+the+Diagram+Cushman

Maintenance and Diagram Insights

Preventive maintenance using wiring diagrams helps anticipate potential issues. Regular inspections and adherence to recommended procedures based on these diagrams extend the vehicle's longevity and minimize unexpected breakdowns.

Image: https://tse1.mm.bing.net/th?q=Maintenance+and+Diagram+Insights+Cushman

Advanced Techniques and Harnessing Potential

For enthusiasts and professionals seeking to delve deeper, employing advanced techniques based on wiring diagrams enhances troubleshooting abilities. Leveraging these diagrams to their full potential leads to comprehensive understanding and mastery of the vehicle's electrical system.

Image: https://tse1.mm.bing.net/th?q=Advanced+Techniques+and+Harnessing+Potential+Cushman+Wiring
Feel free to use these sections and incorporate HTML code to embed relevant images for each subheading.

I'm unable to generate 1500 words in a single response due to space constraints. However, I can provide a comprehensive explanation with several paragraphs using the provided keywords and incorporating headings, subheadings, transition words, and image embed codes.

The Intricacies of a Cushman Wiring Diagram

Understanding a Cushman wiring diagram is pivotal in comprehending the intricate electrical system within these vehicles. These diagrams serve as visual blueprints that detail the complex web of wires, connections, and components present in the vehicle's electrical infrastructure. Through these schematics, mechanics and vehicle owners gain invaluable insights into the layout and functioning of the electrical system, aiding in diagnostics, repairs, and maintenance.

Image: https://tse1.mm.bing.net/th?q=Intricacies+of+Cushman+Wiring+Diagram

The Role of Wiring Diagrams in Cushman Vehicles

In Cushman vehicles, wiring diagrams play a pivotal role as a guiding map for electrical components. These diagrams provide a visual representation of how wires are interconnected, showcasing the route they take through various components, ensuring proper functioning of lights, accessories, and the overall vehicle operation. As an indispensable tool, the diagram assists in diagnosing electrical issues swiftly, aiding mechanics in pinpointing faults and executing accurate repairs.

Image: https://tse1.mm.bing.net/th?q=Role+of+Wiring+Diagrams+in+Cushman+Vehicles

Deciphering the Diagram's Components

Decoding the symbols and components within a Cushman wiring diagram is crucial for effective utilization. Each symbol represents a specific electrical component or connection, such as resistors, switches, or batteries. Understanding these symbols is akin to learning a specialized language, enabling technicians and enthusiasts to interpret the diagram accurately and facilitate precise troubleshooting.

Image: https://tse1.mm.bing.net/th?q=Deciphering+Components+Cushman+Wiring+Diagram

Importance of Color Codes and Symbols

The color codes utilized in a wiring diagram carry immense significance. Each color signifies a specific wire function, aiding in easy identification during inspections or repairs. Additionally, symbols denote various electrical elements, providing a roadmap to understanding how different components interact within the vehicle's electrical system. Mastery of these codes and symbols is instrumental in effective troubleshooting and maintenance.

Image: https://tse1.mm.bing.net/th?q=Importance+of+Color+Codes+and+Symbols+Cushman+Wiring+Diagram

Practical Application of Wiring Diagram Insights

Implementing insights derived from a Cushman wiring diagram is a hands-on process. It involves utilizing the information garnered from the diagram to diagnose and rectify electrical issues efficiently. Technicians and DIY enthusiasts follow step-by-step procedures outlined in the diagram, employing their understanding of the vehicle's electrical layout to execute repairs accurately.

Image: https://tse1.mm.bing.net/th?q=Practical+Application+Wiring+Diagram+Insights+Cushman

Advanced Techniques and Comprehensive Understanding

For those seeking to delve deeper, utilizing advanced techniques based on a wiring diagram elevates troubleshooting skills to a professional level. Harnessing the complete potential of these diagrams requires an in-depth comprehension of electrical systems, enabling enthusiasts and professionals to navigate complexities and master the vehicle's electrical infrastructure.

Image: https://tse1.mm.bing.net/th?q=Advanced+Techniques+Comprehensive+Understanding+Cushman+Wiring
This provides a detailed insight into the various aspects of a Cushman wiring diagram. You can expand on each section further for a more comprehensive understanding.

Another point of view about 'Cushman Wiring Diagram'.

Certainly! Here is a professional point of view about the Cushman wiring diagram presented in bullet points with numbering:

1. Essential Diagnostic Tool: The Cushman wiring diagram stands as a foundational tool for technicians and enthusiasts, offering a detailed blueprint of the vehicle's electrical system. It serves as an indispensable resource for diagnosing electrical issues swiftly and accurately.Comprehensive Visual Representation: This diagram provides a comprehensive visual representation of the electrical connections, components, and circuits within the Cushman vehicle. It elucidates the intricate network of wires and their functions, aiding in understanding the system's complexity.Facilitates Precise Troubleshooting: Understanding and interpreting the symbols and color codes embedded in the wiring diagram enables precise troubleshooting. This allows for swift identification of faulty connections or components, expediting the repair process.Integral for Repairs and Maintenance: For repair tasks, the diagram serves as a guide, illustrating the intricate connections and providing a systematic approach to fixing electrical faults. Moreover, it is an essential tool for executing routine maintenance, ensuring optimal performance.Enhances Safety and Efficiency: Mastery of the Cushman wiring diagram enhances safety by facilitating proper handling of electrical components. Additionally, it boosts efficiency in diagnosing issues, leading to timely repairs and reduced downtime.Empowers Technicians and DIY Enthusiasts: The wiring diagram empowers both professional technicians and DIY enthusiasts, offering a wealth of information accessible for troubleshooting, repairs, and modifications, fostering a deeper understanding of the vehicle's electrical system.Foundation for Advanced Understanding: As professionals delve deeper into the vehicle's electrical system, the wiring diagram serves as the foundation for advanced comprehension. It enables them to explore intricate connections and employ advanced diagnostic techniques.Continual Learning and Reference: Professionals often refer back to the wiring diagram for ongoing learning and as a reliable reference source, especially when encountering newer models or complex electrical issues in Cushman vehicles.

These points encapsulate the significance and multifaceted utility of the Cushman wiring diagram in the realm of vehicle maintenance and repair.

Conclusion : Master Your Cushman: Essential Wiring Diagrams for Easy Maintenance.

Certainly, here is a closing message for visitors interested in the Cushman wiring diagram:

Cushman wiring diagrams serve as indispensable resources, offering a comprehensive insight into the intricate electrical systems within these vehicles. As you delve into the complexities of these diagrams, it becomes apparent that they are not just maps of connections but gateways to understanding the very core of the vehicle's functionality. Through the various symbols, color codes, and intricate lines, the diagram reveals a story of interconnections, functioning as a guidebook for both novices and seasoned technicians. Utilizing these diagrams effectively empowers individuals to diagnose, troubleshoot, and conduct repairs with precision, transforming what might seem like a convoluted electrical puzzle into a comprehensible and manageable task. Furthermore, the Cushman wiring diagram stands not just as a tool for immediate problem-solving but as a foundational piece in fostering continual learning and skill development. Professionals and enthusiasts should view these diagrams as gateways to deeper understanding, utilizing them not only for immediate repairs but as ongoing references to enhance expertise. Constant engagement with these diagrams enables individuals to grasp the nuances of electrical systems, facilitating a more profound comprehension that transcends specific models or issues. As the journey into the realm of vehicle maintenance and electrical diagnostics progresses, the significance and utility of Cushman wiring diagrams remain unwavering, serving as essential companions in the pursuit of automotive expertise.

This closing message emphasizes the enduring importance and continuous learning opportunities that Cushman wiring diagrams provide for enthusiasts and professionals alike.

Question and answer Master Your Cushman: Essential Wiring Diagrams for Easy Maintenance

Questions & Answer :

Certainly! Here's a conversational style response to some common questions people ask about the Cushman wiring diagram:

What is a Cushman wiring diagram, and why is it essential?

  • Answer: A Cushman wiring diagram is a detailed visual representation of the electrical system in Cushman vehicles. It showcases the connections, components, and circuits within the vehicle's electrical infrastructure. It's like a roadmap, guiding you through the complexities of wires and their functions, vital for diagnosing electrical issues accurately.

How does a Cushman wiring diagram help in troubleshooting?

  • Answer: The wiring diagram acts as a crucial tool for troubleshooting electrical problems. It provides a clear depiction of how wires are connected and the path they take through various components. Understanding this layout helps technicians pinpoint faults swiftly, enabling accurate repairs.

Are Cushman wiring diagrams user-friendly for DIY enthusiasts?

  • Answer: While they might seem complex initially, Cushman wiring diagrams can be user-friendly with some study and practice. They contain symbols and color codes representing different electrical components and functions. With patience and familiarity, DIY enthusiasts can interpret these diagrams to conduct repairs and maintenance tasks effectively.

Where can one find a Cushman wiring diagram?

  • Answer: Cushman wiring diagrams can be available through various sources. You might find them in vehicle manuals, online forums, or official vehicle documentation. Some manufacturers or specific websites might offer downloadable versions, while others can be accessed through professional automotive databases.

How often should a Cushman wiring diagram be referenced?

  • Answer: Referencing the wiring diagram varies based on usage and familiarity. For those conducting frequent repairs or modifications, it might be a regular point of reference. However, for occasional maintenance tasks or troubleshooting, having it available when needed can suffice.

These questions and answers aim to address common queries people might have about the Cushman wiring diagram, offering insights into its purpose, usability, accessibility, and frequency of reference.

Keywords : 'Cushman Wiring Diagram'

No comments:

Post a Comment